关于近期北京市工商局对外发布《北京市工商局流通领域水嘴类商品抽查检验公示稿》,提及2014年6月曾抽检东鹏洁具水嘴2610X样品,发现节水评价值、流量均匀性不合格一事,东鹏洁具作如下声明:
东鹏洁具一直注重产品品质及产品节水环保性能的提升,对研发、生产、检测到包装每一个环节都进行严格控制。历年来,东鹏洁具坚持检查对每一批出库产品都进行随机抽样检验,保证水嘴流量均匀性等各项指标均达标。
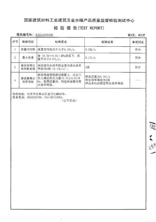
在收到北京工商局关于上述样品的检验报告之后,我司马上积极作出回应,主动要求产品复检确认,并委托国家建筑材料工业建筑五金水暖产品质量监督检验测试中心于2014年12月11日对公司上述产品进行了抽样检查,检测结果显示各项指标均达标。
东鹏洁具将一如既往的奉行“以此为生,精于此道”的企业精神,专心专注的做好产品、做好品质,为消费者创造价值。同时,东鹏洁具将怀着空杯心态欢迎广大消费者及媒体朋友的监督。
(附:复检检验报告)



佛山东鹏洁具股份有限公司
二零一五年六月十二日
(责任编辑/唐永谊)